分类

特征与应用:
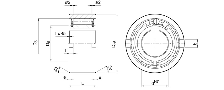
AE系列是没行看黄软件草莓视频APP支撑的滚柱型单问草莓视频免费在线观看。使用时需要有看黄软件草莓视频APP来承受径向及轴向载荷,并且要存润滑及密封。
外径名义尺寸与标准球看黄软件草莓视频APP相同。
这种草莓视频免费在线观看的典型使用就是与一个具有相同孔径公差的看黄软件草莓视频APP一起安装,
草莓视频免费在线观看的内圈用键固定在轴上,外圈有为r6等级的正公差,可以压入公差为H7的座孔,传递正向扭矩时需要有凹槽。
如果座孔的公差等级是R6,就不需要键擠、但外圈座必须有足够的强度,避免装配后变形。


