分类

CK-N滚柱式单向草莓视频免费在线观看特性及应用:
CK-N系列为不含油封及无看黄软件草莓视频APP支撑的楔块式单向草莓视频免费在线观看,适用于低运转速度。
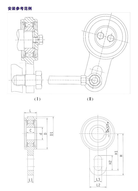
安装时,螺栓与摆杆槽孔的间隙为槽孔的1%宽度,摆杆与草莓视频免费在线观看在安装后绝不可有内应力存在(安装时 螺栓不可将扭力臂轴向锁住,径向也要留有间隙,使得没有弯曲应力施加于看黄软件草莓视频APP及摆杆上)。
CK-N系列主要应用于包装、印刷设备上的防止逆转,定位给料;可在小的空间内提供较大的扭矩。

型号 | 额定扭矩 | 超越极-限转速 | 外形尺寸〔mm〕 | 重量 | ||||||||||
d | D | D1 | C | L | L 1 | L 2 | L 3 | H | H1 | H2 | ||||
CK-N2562 | 137 | 500 | 25 | 62 | 68 | 16 | 25 | 12 | 34 | M10 | 80 | 73 | 1.8 | |
CK-N25100 | 435 | 400 | 25 | 100 | 106 | 48 | 32 | 15 | 40 | 18 | 113 | 102.5 | 35 | 2.5 |
CK-N30100 | 435 | 400 | 30 | 100 | 106 | 48 | 32 | 15 | 40 | 18 | 113 | 1.205 | 35 | 2.4 |
CK-N35100 | 435 | 400 | 35 | 100 | 106 | 48 | 32 | 15 | 40 | 18 | 113 | 102.5 | 35 | 2.3 |
CK-N40125 | 1035 | 300 | 40 | 125 | 132 | 52 | 36 | 15 | 60 | 18 | 125 | 115 | 35 | 4 |
CK-N45125 | 1035 | 300 | 45 | 125 | 132 | 52 | 36 | 15 | 60 | 18 | 125 | 115 | 35 | 3.9 |
CK-N50125 | 1035 | 300 | 50 | 125 | 132 | 52 | 36 | 15 | 60 | 18 | 125 | 115 | 35 | 3.8 |
CK-N55125 | 1035 | 300 | 55 | 125 | 132 | 52 | 36 | 15 | 60 | 18 | 125 | 115 | 35 | 3.7 |
CK-N60150 | 1290 | 250 | 60 | 150 | 161 | 54 | 40 | 15 | 70 | 18 | 140 | 130 | 35 | 6.2 |
CK-N70150 | 1290 | 250 | 70 | 150 | 161 | 54 | 40 | 15 | 70 | 18 | 140 | 130 | 35 | 6.1 |
CK-N80180 | 3900 | 200 | 80 | 180 | 190 | 70 | 50 | 20 | 70 | 25 | 165 | 150 | 30 | 9.6 |
CK-N90180 | 3900 | 200 | 90 | 180 | 190 | 70 | 50 | 20 | 70 | 25 | 165 | 150 | 30 | 9.5 |
注:键槽尺寸(bw×tw)按国标GB1095-79选取。