分类

GC-B滚柱式单向草莓视频免费在线观看特性及应用:
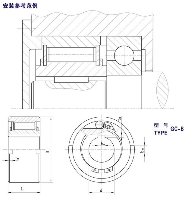
GC-B系列为无看黄软件草莓视频APP支撑滚柱式单向草莓视频免费在线观看,外形尺寸与63系列标准看黄软件草莓视频APP相同。使用时需要配合看黄软件草莓视频APP安 装以承受轴向负载与径向负载。出厂时己加注润滑脂。
标准安装方式为GC-B系列与看黄软件草莓视频APP同轴并排,相同的位置,相同的公差要求。内环与轴使用键槽方式联 结。外环两侧的端面键用于固定外环与机壁以传递扭矩。
常用于包装、印刷、食品、医疗、纺织、化工以及提升机、输送机等机械设备上。

型号 | 额定扭矩 | 超越极-限转速 | 外形尺寸〔mm〕 | 重量 | |||||
内环 | 外环 | d〔H7〕 | D〔H7〕 | L | bw×tw | bn×tn | |||
GC-B835 | 8.3 | 1650 | 2500 | 8 | 35 | 13 | 4×1.4 | 2×1.0 | 0.07 |
GC-B1235 | 8.3 | 1650 | 2500 | 12 | 35 | 13 | 4×1.4 | 4×1.8 | 0.06 |
GC-B1542 | 22 | 1200 | 1800 | 15 | 42 | 18 | 5×1.8 | 5×2.3 | 0.11 |
GC-B1747 | 35 | 1150 | 1700 | 17 | 47 | 19 | 5×2.3 | 5×2..3 | 0.15 |
GC-B2052 | 56 | 1050 | 1550 | 20 | 52 | 21 | 6×2.3 | 6×2.8 | 0.19 |
GC-B2562 | 90 | 850 | 1300 | 25 | 62 | 24 | 8×2.8 | 8×3.3 | 0.38 |
GC-B3072 | 184 | 700 | 1100 | 30 | 72 | 27 | 10×2.5 | 10×33 | 0.54 |
GC-B3580 | 270 | 600 | 950 | 35 | 80 | 31 | 12×3.5 | 12×33 | 0.74 |
GC-B4090 | 387 | 550 | 850 | 40 | 90 | 33 | 12×4.1 | 14×3.8 | 0.92 |
GC-B45100 | 558 | 500 | 800 | 45 | 100 | 36 | 14×4.6 | 14×3.8 | 1.31 |
GC-B50110 | 720 | 425 | 675 | 50 | 110 | 40 | 14×5.6 | 18×4.4 | 1.74 |
GC-B60130 | 1315 | 375 | 525 | 60 | 130 | 46 | 18×5.6 | 20×4..9 | 2.77 |
GC-B70150 | 1656 | 300 | 475 | 70 | 150 | 51 | 20×6.9 | 20×4..9 | 4.16 |
GC-B80170 | 2096 | 275 | 425 | 80 | 170 | 58 | 20×7.5 | 22×5.4 | 6.09 |
GC-B90190 | 3468 | 250 | 375 | 90 | 190 | 64 | 20×8.0 | 25×5.4 | 8.20 |
GC-B100215 | 4640 | 225 | 340 | 100 | 215 | 73 | 24×8.5 | 28×6.4 | 12.6 |
GC-B120260 | 8640 | 185 | 275 | 120 | 260 | 86 | 28×10 | 32×7.4 | 22.0 |
GC-B150320 | 17040 | 150 | 230 | 150 | 320 | 108 | 32×12 | 36×8.4 | 42.0 |
GC-B1237 | 8.5 | 1600 | 2500 | 12 | 37 | 20 | 6×3.3 | 4×1.8 | 0.07 |
GC-B2060 | 90 | 850 | 1300 | 20 | 60 | 20 | 6×13 | 6×3 | 0.08 |
GC-B2062 | 100 | 850 | 1300 | 20 | 62 | 36 | 8×15 | 6×19 | 0.59 |
GC-B4393 | 400 | 550 | 850 | 43 | 93 | 36 | 14×4.5 | 10×3 | 1 |
GC-B60170 | 2500 | 275 | 425 | 60 | 170 | 90 | 20×7.5 | 18×4.3 | 6.5 |
GC-B65170 | 2500 | 275 | 425 | 65 | 170 | 90 | 20×7.5 | 18×4.3 | 6.3 |